
青鸟消防JBF5146A输入/输出模块是一款可实现持续输出方式的控制模块。在使用过程中消防联动控制器发出命令,通过输入/输出模块启动或停止与该模块连接的外部设备,同时监测外部设备工作状态。
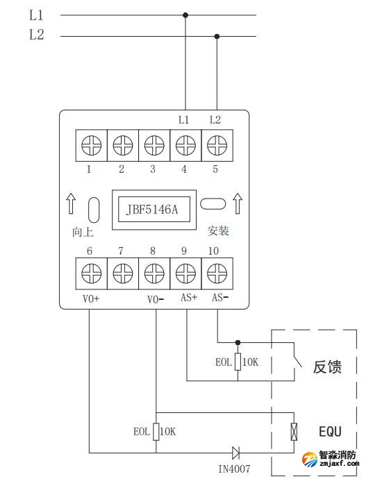
JBF5146A输入输出模块接线图:

L1(端子4)、L2(端子5):接回路总线,无极性;
AS+(端子9)、AS-(端子10):接应答(无源触点),必须并联10KΩ终端电阻。
VO+(端子6)、VO-(端子8):接被控设备,模块启动后VO+(端子6)和VO-(端子8)输出最大能量:脉冲输出DC24V/60mA/120s,然后持续输出DC12V/16mA/4h,见上图。
附JBF5146A输入输出模块常见故障分析:

江苏苏州智淼消防安装工程公司主营:北京消防施工安装,消防工程设计,消防维修改造,消防设备检测,消防验收代办,消防维修保养,探测器清洗,消防检测设备,智慧消防物联网,消防设备销售安装及调试为一体的正规化消防企业。消防改造网址:http://www.zmjaxf.com/;服务热线:4006-598-119








苏公网安备32058102002151号