


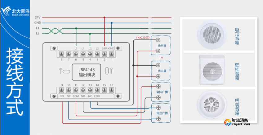
每只JBF4143输出模块后配接≤20只的3W火警广播音箱。


1、两总线采用ZR-RVS-2×1.5mm2双绞线。
2、电源线采用NH-BV-2×1.5~2.5mm2导线。
江苏苏州智淼消防安装工程公司主营:北京消防施工安装,消防工程设计,消防维修改造,消防设备检测,消防验收代办,消防维修保养,探测器清洗,消防检测设备,智慧消防物联网,消防设备销售安装及调试为一体的正规化消防企业。消防改造网址:http://www.zmjaxf.com/;服务热线:4006-598-119



每只JBF4143输出模块后配接≤20只的3W火警广播音箱。


1、两总线采用ZR-RVS-2×1.5mm2双绞线。
2、电源线采用NH-BV-2×1.5~2.5mm2导线。
400电话:4006-598-119
联系电话:18751140119
公司传真:0512-52847706
手机号码:18910580194
客服QQ:1334605518
Email:1334605518@qq.com
地址:江苏省苏州市常熟市黄河路275号城市之星119室
全国服务热线:18910580194
立即预约智淼君安(江苏)消防工程技术有限公司主要业务有火灾报警系统的销售、设计、安装、消防维修及消防工程改造,消防施工,消防工程改造,消防维保,一二级消防检测设备,探测器清洗,消防检测,气体灭火系统安装,电气火灾系统施工安装,消防喷淋水系统安装,防火门系统施工安装等...
+MORE
物业项目业主户内消防改造安全管控要点检查了很多高层住宅项目和带底商的项目,消防的一个难点就是:故障点位多!一排查,原因多是业主户内装修,改了(取消)消防。一说整改就是业主户内装修完成了,改造费用高……那么这类消防故障该如何避免或者整改呢?作为物业工作人员,如何在服务业主,满足合理需求的同时,守住消防 [详情]
消防改造 消防检测仪器网 山东消防检测设备 消防安全评估设备 消防评估设备 北京消防改造 海湾消防主机维修 四川消防检测设备 气体灭火 消防检测设备|人防检测仪器 江苏消防检测仪器 探测器清洗 消防检测设备 利达消防 智淼消防工程 电气火灾 海湾安全技术有限公司 海湾消防公司 海湾消防 海湾消防设备 海湾气体灭火|利达气体灭火 消防安全评估设备软件 四川消防检测仪器 消防安全评估软件 海湾气体灭火 海湾消防气灭 利达气体灭火 利达消防维修维保 海湾消防维修 北京烟感清洗 北京消防维修 烟感清洗|火灾探测器清洗 消防安全评估软件 海湾消防监控系统 气体灭火安装 消防设施维护保养检测设备 消防改造安装 海湾消防器材 利达消防器材 青鸟消防器材 泛海三江消防设备 上海松江消防设备 深圳赋安消防设备 泰和安消防设备 依爱消防设备 金鼎防爆消防设备 尼特消防设备 海湾消防产品 利达消防产品 消防评估检测设备 消防检测设备仪器 松江消防 青鸟消防 泰和安消防 利达消防设备 消防气体灭火 智淼消防商城网 利达消防公司 依爱消防 福赛尔消防 久远消防 三江消防 泰和安消防 艺光消防 国泰怡安消防 利达气体灭火 海湾消防安全技术 海湾消防公司