KZJ-A75型输入/输出模块与三江二总线系列联动控制器配套使用。采用无极性二总线供电,低功耗设计,主要对消防联动设备进行输出控制(如排烟阀、送风阀、防火阀等),并可接收联动设备的无源反馈信号,以判断被联动设备是否正常工作。
KZJ-A75配套安装底座(DZ-A75)示意图:

DZ-A75端子定义
L1、L2:控制器回路总线信号接入端(无极性)
TO+、TO-:无源反馈输入端(无极性)
OUT+、OUT-:有源输出端
24V+、24V-:DC24V接入端
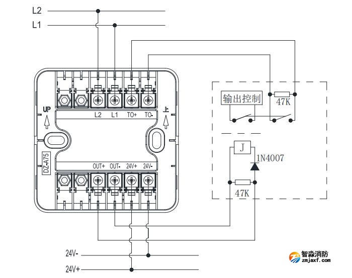
KZJ-A75输入输出模块接线图:
监视无源闭合应答的现场设备时,输入端应设置为“常开检线”,模块输入线末端(远离模块端)必需并联一个47kΩ的终端电阻,接线方法如下图所示。

输入常开检线接线图
监视无源断开应答的现场设备时,输入端应设置为“常闭检线”,模块输入线末端(远离模块端)必需串联一个47kΩ的终端电阻,接线方法如下图所示。

输入常闭检线接线图
江苏苏州智淼消防安装工程公司主营:北京消防施工安装,消防工程设计,消防维修改造,消防设备检测,消防验收代办,消防维修保养,探测器清洗,消防检测设备,智慧消防物联网,消防设备销售安装及调试为一体的正规化消防企业。消防改造网址:http://www.zmjaxf.com/;服务热线:4006-598-119








苏公网安备32058102002151号