产品简介:海湾IG541气体系统灭火剂是由大气层中的氮气(N2)、氩气(Ar)和二氧化碳(CO2)三种气体以52%、40%、8%的比例混合而成的一种灭火剂,使用后以其原有成分回归自然,是目前国际上公认的可替代
一、海湾IG541气体灭火系统QMH15/80-SJ QMH15/90-SJ概述
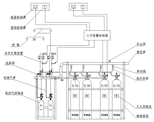
海湾IG541气体系统灭火剂是由大气层中的氮气(N2)、氩气(Ar)和二氧化碳(CO2)三种气体以52%、40%、8%的比例混合而成的一种灭火剂,使用后以其原有成分回归自然,是目前国际上公认的可替代卤代烷灭火剂的“绿色”环保型气体灭火系统。具有自动、电气手动和机械应急三种控制方式。通常可分成两种系统形式:单元独立系统和组合分配系统,实施对单区和多区的消防保护。
二、海湾IG541气体灭火系统QMH15/80-SJ QMH15/90-SJ产品特性
(1)灭火效果好;
(2)无色、无味、无毒;
(3)绝缘性能好;
(4)无腐蚀性;
(5)绿色环保。
三、海湾IG541气体灭火系统QMH15/80-SJ QMH15/90-SJ技术参数
| 系统执行标准 | GB25972-2010《气体灭火系统及部件》 | |
| 产品型号 | QMH15/80-SJ | QMH15/90-SJ |
| 公称工作压力 | 15MPa(20℃时) | |
| 瓶组容积 | 80L | 90L |
| 系统喷射时间 | ≤60s | |
| 灭火剂最大充装量 | 211.15Kg/m3 | |
| 系统使用温度 | 0~+50℃ | |
| 系统最大工作压力 | 17.2MPa | |
四、海湾IG541气体灭火系统QMH15/80-SJ QMH15/90-SJ应用场所
海湾IG541气体灭火系统主要适用于电子计算机房、通讯机房、发电机房、配电房、数据中心、图书馆、资料库、档案室、博物馆及票据室等经常有人员工作的场所。
五、海湾IG541气体灭火系统QMH15/80-SJ QMH15/90-SJ灭火特点
1、保护生态环境:IG541气体灭火系统采用的IG541混合气体灭火剂是由大气层中的氮气(N2)、氩气(Ar)和二氧化碳(CO2)三种气体以52%、40%、8%的比例混合而成,故它的释放只是将这些天然的气体放回大气层,其臭氧耗损潜能值ODP=0(对大气臭氧层无破坏),温室效应值DWG=0(不造成温室效应),具有无色、无味、不污染设备、无腐蚀性、绝缘性能好等特点。是目前国际上公认的可替代卤代烷灭火剂的“绿色”环保型气体灭火系统,已在国际上广泛使用。
2、保护生命安全。IG541气体灭火系统灭火剂是一种无色透明的气体,喷放时不会形成浓雾而影响视野,利于逃生,且防护区内的工作人员仍能正常地呼吸,便于火灾发生后能及时扑救,减少损失。适用于经常有人工作的场所。
3、保护财产安全。IG541气体灭火系统灭火剂以压缩气体的形式储存,喷放时温度变化很小,不会对保护设备构成伤害。
六、IG541气体灭火系统QMH15/80-SJ QMH15/90-SJ灭火原理
通过降低防护区内的氧气浓度(由空气正常含氧量的21%降至15%以下),使其不能维持燃烧而达到灭火的目的。
适用范围:
A类——固体表面火灾;
B类——易燃液体火灾,包括一定量的庚烷火灾;
C类——电气设备火灾,如计算机房、控制室、变压器、油浸开关、电路断路器、泵和电动机等。并且可广泛应用于电子计算机房、广播通讯机房和电子设备密集等灭火场所,同时也可用于油类仓库以及图书馆、文物档案库等场所
七、海湾IG541气体灭火系统QMH15/80-SJ QMH15/90-SJ系统布置图

智淼新款一体式二合一烟温试验器及红紫外火焰探测器功能试验器一体式二合一烟温试验器,二合一火灾探测器功能试验器,感烟感温二合一探测器功能试验器是智淼君安消防在优化感烟探测器功能试验器及感温探测器功能试验器的基础上开发设计的新一代烟温试验器,继续保持特有的不锈钢设计,铝合金外包装,携带方便,组装简单、操...
一体式二合一烟温试验器,二合一火灾探测器功能试验器,感烟感温二合一探测器功能试验器是智淼君安消防在优化感烟探测器功能试验器及感温探测器功能试验器的基础上开发设计的新一代烟温试验器,继续保持特有的不锈钢设计,铝合金外包装,携带方便,组装简单、操作灵活等特点。增加了吹风,夜视窗口等功能。...
海湾JB-QB-GST1000ZG火灾报警控制器一、海湾JB-QB-GST1000ZG火灾报警控制器概述壁挂式,含240地址报警点,LCD点阵液晶屏,含一路CAN和一路485通讯接口,带打印功能,含控制器电源和备电(12V/4.5AH 1节).二、海湾JB-QB-GST1000ZG火灾报警控制器特点采用无极性二总线技术具有重码检测功能三、海湾GST2322ZG输入...
海湾J-SAP-M-GST2200ZG手动火灾报警按钮一、海湾J-SAP-M-GST2200ZG手动火灾报警按钮概述电子编码,插拔式安装,单输入、输出接口.输出:有源持续输出,DC24V/50mA,自带隔离电路,具有检线功能,不用外接任何辅助检线设备.输入:自带隔离电路,具有检线功能,可以设置为短路反馈或者开路反馈.与1380ZG中继箱配合使用,与DZ-23ZG-...
海湾GST2322ZG输入/输出模块一、海湾GST2322ZG输入/输出模块概述电子编码,插拔式安装,单输入、输出接口.输出:有源持续输出,DC24V/50mA,自带隔离电路,具有检线功能,不用外接任何辅助检线设备.输入:自带隔离电路,具有检线功能,可以设置为短路反馈或者开路反馈.与1380ZG中继箱配合使用,与DZ-23ZG-8型底座配套使用....
海湾GST2321ZG输入/输出模块一、海湾GST2321ZG输入/输出模块概述电子编码,插拔式安装,单输入、输出接口.输出:有源脉冲输出,DC32V/1.5A/25ms,自带隔离电路,具有检线功能,不用外接任何辅助检线设备.输入:自带隔离电路,具有检线功能,可以设置为短路反馈或者开路反馈,与DZ-23ZG-8型底座配套使用.二、海湾GST2321ZG输入/输...
海湾JTW-ZOM-GST1110ZG点型感温火灾探测器一、海湾JTW-ZOM-GST1110ZG点型感温火灾探测器概述海湾JTW-ZOM-RF1110点型感温火灾探测器采用热敏电阻作为感温器件。探测器内置高性能微处理器,适用于能够产生温度变化的火灾探测,在不同环境都可以准确识别出火灾,具有强大的火警判断能力,采用无极性二总线制进行通信,电子...
海湾GST8001ZG电子编码器一、海湾GST8001ZG电子编码器概述海湾GST8001ZG电子编码器是针对前端产品进行设置的便携式操作设备。具备电子式地址读写、参数读写、参数设置等功能。采样液晶中文显示,按键操作,操作简单方便二、海湾GST8001ZG电子编码器功能特点可对系统总线设备进行编码和参数设置液晶显示、中文菜...
海湾GST1200ZG紧急启停按钮一、海湾GST1200ZG紧急启停按钮概述海湾GST1200ZG紧急启/停按钮(以下简称按钮),主要作用是控制气体灭火系统转换手动状态或自动状态,以及控制紧急启动和停动功能。通常安装在保护区门口便于操作的位置,当被保护的区域内发生火灾时,按下"紧急启动"按键,即可向气体灭火控制器发...
海湾GST1530ZG火灾显示盘一、海湾GST1530ZG火灾显示盘概述海湾GST1530ZG火灾显示盘一种可用于楼层或独立防火区内的火灾报警显示装置。当建筑物内发生火灾后,消防控制中心的控制器产生报警,同时把报警信号传输到失火区域的火灾显示盘上,火灾显示盘液晶屏显示报警编号、类型及注释信息并发出报警声响,以通知失火区域的...
400电话:4006-598-119
联系电话:18751140119
公司传真:0512-52847706
手机号码:18910580194
客服QQ:1334605518
Email:1334605518@qq.com
地址:江苏省苏州市常熟市黄河路275号城市之星119室
全国服务热线:18910580194
立即预约智淼君安(江苏)消防工程技术有限公司主要业务有火灾报警系统的销售、设计、安装、消防维修及消防工程改造,消防施工,消防工程改造,消防维保,一二级消防检测设备,探测器清洗,消防检测,气体灭火系统安装,电气火灾系统施工安装,消防喷淋水系统安装,防火门系统施工安装等...
+MORE
物业项目业主户内消防改造安全管控要点检查了很多高层住宅项目和带底商的项目,消防的一个难点就是:故障点位多!一排查,原因多是业主户内装修,改了(取消)消防。一说整改就是业主户内装修完成了,改造费用高……那么这类消防故障该如何避免或者整改呢?作为物业工作人员,如何在服务业主,满足合理需求的同时,守住消防 [详情]
消防改造 消防检测仪器网 山东消防检测设备 消防安全评估设备 消防评估设备 北京消防改造 海湾消防主机维修 四川消防检测设备 气体灭火 消防检测设备|人防检测仪器 江苏消防检测仪器 探测器清洗 消防检测设备 利达消防 智淼消防工程 电气火灾 海湾安全技术有限公司 海湾消防公司 海湾消防 海湾消防设备 海湾气体灭火|利达气体灭火 消防安全评估设备软件 四川消防检测仪器 消防安全评估软件 海湾气体灭火 海湾消防气灭 利达气体灭火 利达消防维修维保 海湾消防维修 北京烟感清洗 北京消防维修 烟感清洗|火灾探测器清洗 消防安全评估软件 海湾消防监控系统 气体灭火安装 消防设施维护保养检测设备 消防改造安装 海湾消防器材 利达消防器材 青鸟消防器材 泛海三江消防设备 上海松江消防设备 深圳赋安消防设备 泰和安消防设备 依爱消防设备 金鼎防爆消防设备 尼特消防设备 海湾消防产品 利达消防产品 消防评估检测设备 消防检测设备仪器 松江消防 青鸟消防 泰和安消防 利达消防设备 消防气体灭火 智淼消防商城网 利达消防公司 依爱消防 福赛尔消防 久远消防 三江消防 泰和安消防 艺光消防 国泰怡安消防 利达气体灭火 海湾消防安全技术 海湾消防公司
如果您对本商品有什么问题,请提问咨询!