



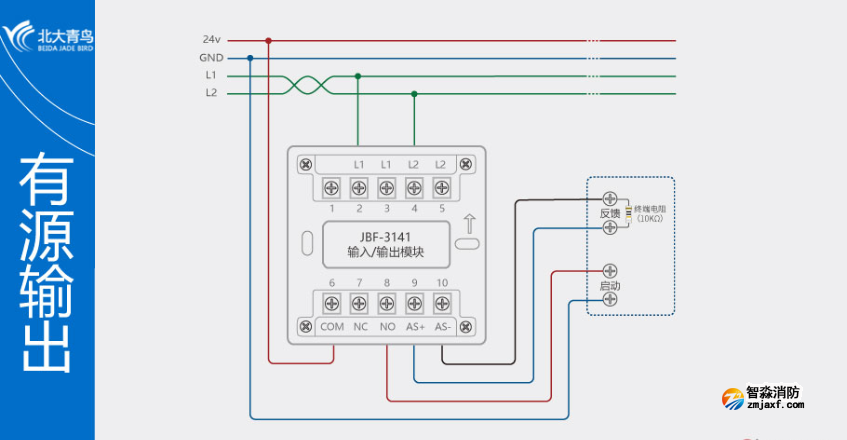
北大青鸟JBF3141输入/输出模块使用中无论是否需要设备应答,都应在信号回答端(端子9、10)AS+、AS-并联10KΩ电阻,否则输入/输出模块无法正常工作。



1、疏散通道上设置的防火卷帘由防火分区内任两只独立的感烟火灾探测器或任一只专门用于联动防火卷帘的感烟火灾探测器的报警信号联动控制防火卷帘下降至距楼板面1.8m处;任一只专门用于联动防火卷帘的感温火灾探测器的报警信号联动控制防火卷帘下降到楼板面。
2、非疏散通道上设置的防火卷帘由防火卷帘所在防火分区内任两只独立的火灾探测器的报警信号,作为防火卷帘下降的联动触发信号,并联动控制防火卷帘直接下降到楼板面。


江苏苏州智淼消防安装工程公司主营:北京消防施工安装,消防工程设计,消防维修改造,消防设备检测,消防验收代办,消防维修保养,探测器清洗,消防检测设备,智慧消防物联网,消防设备销售安装及调试为一体的正规化消防企业。消防改造网址:http://www.zmjaxf.com/;服务热线:4006-598-119








苏公网安备32058102002151号