消防给水系统稳压泵设计取值范例
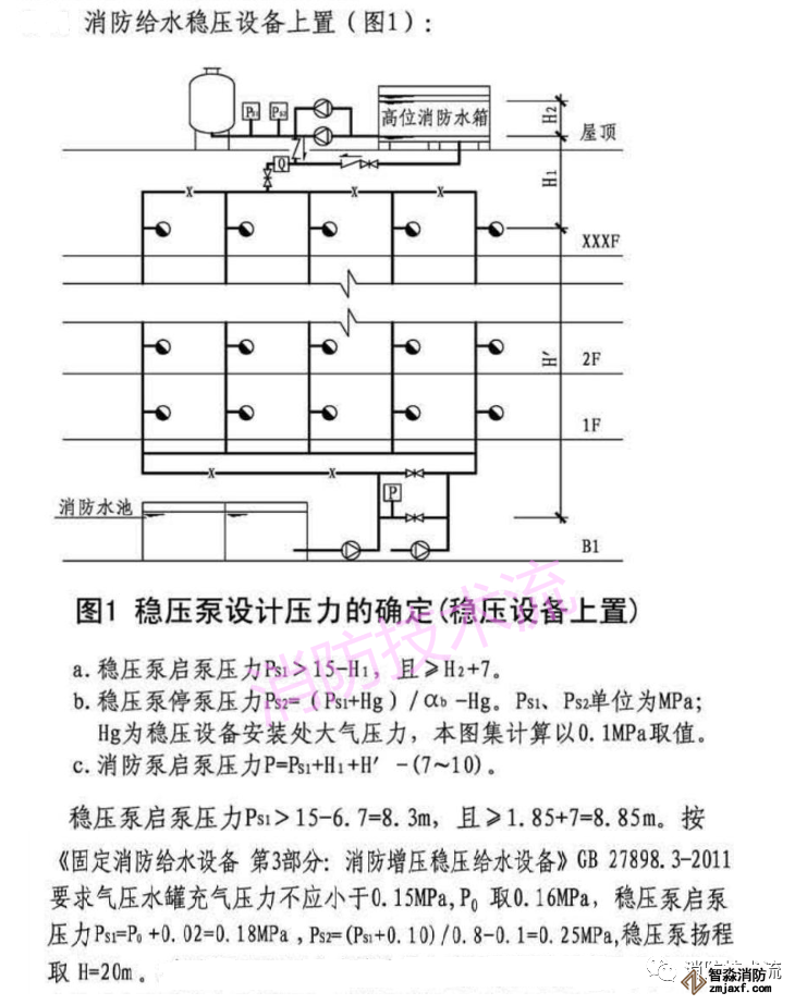
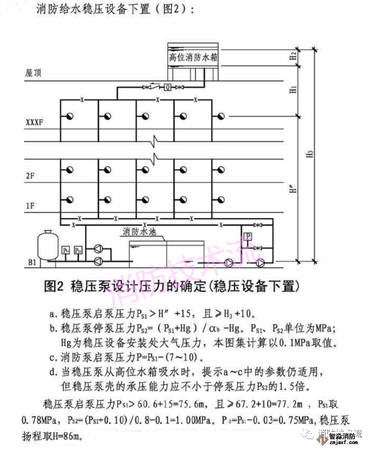
某一类高层公共建筑,建筑体积大于50000m3,建筑高度61.8m,室外消火栓系统设计水量40L/s,室内消火栓系统设计水量40L/s。高位消防水箱有效水深H2=1.85m。稳压设备设置采用上置式和下置式两个方案。上置式稳压设备处压力开关到最不利消火栓栓口净高H1=6.7m,最高有效水位到下置式稳压设备处压力开关净高H3=67.2m,最不利消火栓栓口到消防水泵处压力开关净高H'=58.6m,最不利消火栓栓口到下置式稳压设备处压力开关净高H" =60.6m,无管网泄漏量数据。
因管网泄露量数据不详,稳压泵设计流量宜按消防给水设计流量的1%~3%计,且不宜小于1L/s。室内消火栓系统稳压泵设计流量取1L/s。考虑室外管网埋地敷设,不确定性因素较多,室外消火栓系统稳压泵设计流量取1.5L/s。
方案一:稳压设备上置

方案一:稳压设备下置

室外临时高压消火栓系统消防给水稳压设备根据《消防给水及消火栓系统技术规范》50974-2014第7.2.8条,为保证最不利消火栓的供水压力从地面算起不小于0.1MPa,稳压泵启泵压力应保证最不利消火栓栓口处的静压不小于0.17MPa,考虑消防车高度及吸水管水头损失,室外消防水池最低有效水位距室外地面高差5.0m,则PS1>0.17+0.05=0.22MPa,气压水罐充气压力取Po=0.24MPa,求PS1=0.27MPa,PS2=0.36MPa,稳压泵扬程取H= 30m。
江苏苏州智淼消防安装工程公司主营:北京消防施工安装,消防工程设计,消防维修改造,消防设备检测,消防验收代办,消防维修保养,探测器清洗,消防检测设备,智慧消防物联网,消防设备销售安装及调试为一体的正规化消防企业。消防改造网址:http://www.zmjaxf.com/;服务热线:4006-598-119








苏公网安备32058102002151号