产品简介:青鸟IG1603 IG8150 消防广播电话一体机一、青鸟IG1603 IG8150 消防广播电话一体机概述消防广播电话一体机系统包含IG1603消防电话系统以及IG8150消防广播系统二部分组成,IG1603消防电话系统采用二总线通信技术,系统由IG1603消防电话总机、IG3602A消防电话分机、IG3602B消防电话分机/IG5901消防电话插孔共同构成。IG815
青鸟IG1603 IG8150 消防广播电话一体机

一、青鸟IG1603 IG8150 消防广播电话一体机概述
消防广播电话一体机系统包含IG1603消防电话系统以及IG8150消防广播系统二部分组成,IG1603消防电话系统采用二总线通信技术,系统由IG1603消防电话总机、IG3602A消防电话分机、IG3602B消防电话分机/IG5901消防电话插孔共同构成。IG8150型消防应急广播主机是由区域控制盘、音源设备、广播功率放大器组成,与火灾报警控制器(联动型)、输出模块、广播音箱等构成的消防应急广播系统。本系统严格按照国家标准GB 16806-2006《消防联动控制系统》及第1号修改单标准中相关条款。
二、青鸟IG1603 IG8150 消防广播电话一体机功能特点
青鸟IG1603电话系统:
◎采用二总线技术,总线不分正负,地址设置范围1~126,且不可有重复编码。
◎总机支持由外部存储介质(SD卡)导入通信录的功能。
◎实时时钟显示,总机断电内部电池供电,时钟走时不间断。
◎总机可与任意五部登记于通讯录中的分机进行呼叫和通话,自动记录通话时间、内容、地址,并可查询通话信息、回放通话录音。
◎所有设置操作有权限确认过程,避免因误操作造成设置改变。
◎采用轻触式按键,面板设有0~9数字键盘和其它功能键,同时设有工作、呼叫、通话、录音、故障、录满、消音七个状态指示灯。
IG8150广播系统:
◎轻微超载时降低输出电压,严重超载时关闭输出;
◎支持选配各种通讯模块与联动控制器进行交互;
◎150W自然冷却;
◎系统对广播定压输出线路、主电源、备用电源进行故障检测,当有故障发生时进行声光告警;
◎具有应急广播(包含两段音源)、话筒、U盘、外线四种播音模式,其中应急广播的一段音源可通过话筒/U盘导入。
三、青鸟IG1603 IG8150 消防广播电话一体机技术参数
青鸟IG1603电话系统:
输出电压 30V/36V
电流 60mA
话音频率 300~3400Hz(±3db)
传输衰耗 ≤5dB
通话录音 最多24min
事件记录 999条
通信距离 2000米
安装方式 壁挂式
外形尺寸 318.0mm*245.0mm*129.5mm,其中129.5mm中包含手柄的厚度41.5mm
IG8150型消防应急广播:
输出电压 定压输出120VAC
录音时长 30min
主电输入 AC187V~AC242V
谐波失真 ≤5%
频率响应 80~8KHz(±3db)
信噪比 ≥70dB
备电输入 AC187V~AC242V
额定输出电流以及功率 1.25A/150W
安装方式 壁挂式
外形尺寸 318.0mm*245.0mm*127.0mm,其中127.0mm中包含送话器的厚度39mm
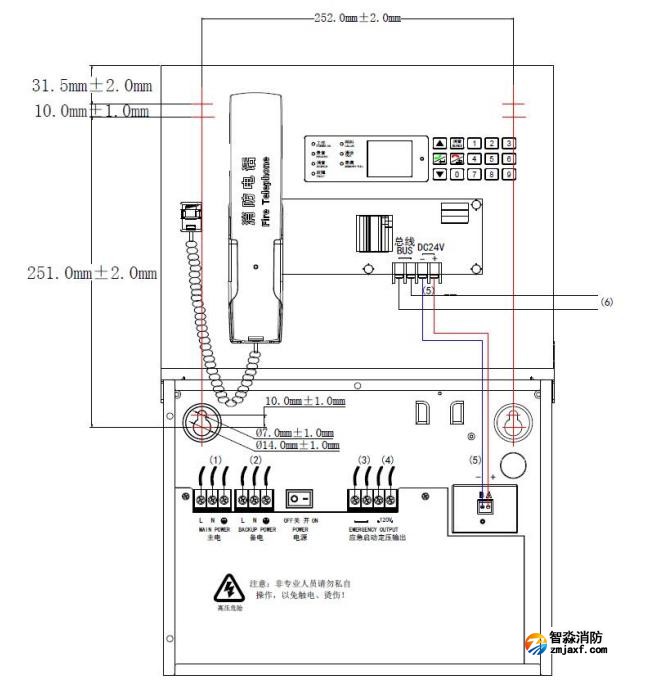
四、青鸟IG1603 IG8150 消防广播电话一体机接线端子说明

(1)【主电】接消防交流220V电源;
(2)【备电】接消防交流220V电源;
(3)【应急启动】IG8150型消防应急广播主机与外部控制系统连接,接入24V启动信号;
(4)【定压输出】接现场负载扬声器,应选用内部具有隔直流无极性电容(1uF/250V)定压120V的扬声器;
(5)【24VDC】接电话主机24V输入端,给电话提供直流电源。电源不能接反。
(6)【总线】连接分机和总线插孔。接线时总线不分正负极。
智淼新款一体式二合一烟温试验器及红紫外火焰探测器功能试验器一体式二合一烟温试验器,二合一火灾探测器功能试验器,感烟感温二合一探测器功能试验器是智淼君安消防在优化感烟探测器功能试验器及感温探测器功能试验器的基础上开发设计的新一代烟温试验器,继续保持特有的不锈钢设计,铝合金外包装,携带方便,组装简单、操...
一体式二合一烟温试验器,二合一火灾探测器功能试验器,感烟感温二合一探测器功能试验器是智淼君安消防在优化感烟探测器功能试验器及感温探测器功能试验器的基础上开发设计的新一代烟温试验器,继续保持特有的不锈钢设计,铝合金外包装,携带方便,组装简单、操作灵活等特点。增加了吹风,夜视窗口等功能。...
海湾JB-QB-GST1000ZG火灾报警控制器一、海湾JB-QB-GST1000ZG火灾报警控制器概述壁挂式,含240地址报警点,LCD点阵液晶屏,含一路CAN和一路485通讯接口,带打印功能,含控制器电源和备电(12V/4.5AH 1节).二、海湾JB-QB-GST1000ZG火灾报警控制器特点采用无极性二总线技术具有重码检测功能三、海湾GST2322ZG输入...
海湾J-SAP-M-GST2200ZG手动火灾报警按钮一、海湾J-SAP-M-GST2200ZG手动火灾报警按钮概述电子编码,插拔式安装,单输入、输出接口.输出:有源持续输出,DC24V/50mA,自带隔离电路,具有检线功能,不用外接任何辅助检线设备.输入:自带隔离电路,具有检线功能,可以设置为短路反馈或者开路反馈.与1380ZG中继箱配合使用,与DZ-23ZG-...
海湾GST2322ZG输入/输出模块一、海湾GST2322ZG输入/输出模块概述电子编码,插拔式安装,单输入、输出接口.输出:有源持续输出,DC24V/50mA,自带隔离电路,具有检线功能,不用外接任何辅助检线设备.输入:自带隔离电路,具有检线功能,可以设置为短路反馈或者开路反馈.与1380ZG中继箱配合使用,与DZ-23ZG-8型底座配套使用....
海湾GST2321ZG输入/输出模块一、海湾GST2321ZG输入/输出模块概述电子编码,插拔式安装,单输入、输出接口.输出:有源脉冲输出,DC32V/1.5A/25ms,自带隔离电路,具有检线功能,不用外接任何辅助检线设备.输入:自带隔离电路,具有检线功能,可以设置为短路反馈或者开路反馈,与DZ-23ZG-8型底座配套使用.二、海湾GST2321ZG输入/输...
海湾JTW-ZOM-GST1110ZG点型感温火灾探测器一、海湾JTW-ZOM-GST1110ZG点型感温火灾探测器概述海湾JTW-ZOM-RF1110点型感温火灾探测器采用热敏电阻作为感温器件。探测器内置高性能微处理器,适用于能够产生温度变化的火灾探测,在不同环境都可以准确识别出火灾,具有强大的火警判断能力,采用无极性二总线制进行通信,电子...
海湾GST8001ZG电子编码器一、海湾GST8001ZG电子编码器概述海湾GST8001ZG电子编码器是针对前端产品进行设置的便携式操作设备。具备电子式地址读写、参数读写、参数设置等功能。采样液晶中文显示,按键操作,操作简单方便二、海湾GST8001ZG电子编码器功能特点可对系统总线设备进行编码和参数设置液晶显示、中文菜...
海湾GST1200ZG紧急启停按钮一、海湾GST1200ZG紧急启停按钮概述海湾GST1200ZG紧急启/停按钮(以下简称按钮),主要作用是控制气体灭火系统转换手动状态或自动状态,以及控制紧急启动和停动功能。通常安装在保护区门口便于操作的位置,当被保护的区域内发生火灾时,按下"紧急启动"按键,即可向气体灭火控制器发...
海湾GST1530ZG火灾显示盘一、海湾GST1530ZG火灾显示盘概述海湾GST1530ZG火灾显示盘一种可用于楼层或独立防火区内的火灾报警显示装置。当建筑物内发生火灾后,消防控制中心的控制器产生报警,同时把报警信号传输到失火区域的火灾显示盘上,火灾显示盘液晶屏显示报警编号、类型及注释信息并发出报警声响,以通知失火区域的...
400电话:4006-598-119
联系电话:18751140119
公司传真:0512-52847706
手机号码:18910580194
客服QQ:1334605518
Email:1334605518@qq.com
地址:江苏省苏州市常熟市黄河路275号城市之星119室
全国服务热线:18910580194
立即预约智淼君安(江苏)消防工程技术有限公司主要业务有火灾报警系统的销售、设计、安装、消防维修及消防工程改造,消防施工,消防工程改造,消防维保,一二级消防检测设备,探测器清洗,消防检测,气体灭火系统安装,电气火灾系统施工安装,消防喷淋水系统安装,防火门系统施工安装等...
+MORE
物业项目业主户内消防改造安全管控要点检查了很多高层住宅项目和带底商的项目,消防的一个难点就是:故障点位多!一排查,原因多是业主户内装修,改了(取消)消防。一说整改就是业主户内装修完成了,改造费用高……那么这类消防故障该如何避免或者整改呢?作为物业工作人员,如何在服务业主,满足合理需求的同时,守住消防 [详情]
消防改造 消防检测仪器网 山东消防检测设备 消防安全评估设备 消防评估设备 北京消防改造 海湾消防主机维修 四川消防检测设备 气体灭火 消防检测设备|人防检测仪器 江苏消防检测仪器 探测器清洗 消防检测设备 利达消防 智淼消防工程 电气火灾 海湾安全技术有限公司 海湾消防公司 海湾消防 海湾消防设备 海湾气体灭火|利达气体灭火 消防安全评估设备软件 四川消防检测仪器 消防安全评估软件 海湾气体灭火 海湾消防气灭 利达气体灭火 利达消防维修维保 海湾消防维修 北京烟感清洗 北京消防维修 烟感清洗|火灾探测器清洗 消防安全评估软件 海湾消防监控系统 气体灭火安装 消防设施维护保养检测设备 消防改造安装 海湾消防器材 利达消防器材 青鸟消防器材 泛海三江消防设备 上海松江消防设备 深圳赋安消防设备 泰和安消防设备 依爱消防设备 金鼎防爆消防设备 尼特消防设备 海湾消防产品 利达消防产品 消防评估检测设备 消防检测设备仪器 松江消防 青鸟消防 泰和安消防 利达消防设备 消防气体灭火 智淼消防商城网 利达消防公司 依爱消防 福赛尔消防 久远消防 三江消防 泰和安消防 艺光消防 国泰怡安消防 利达气体灭火 海湾消防安全技术 海湾消防公司
如果您对本商品有什么问题,请提问咨询!