产品简介:三江JTW-ZD-A20G-Ex防爆型点型感温火灾探测器一、三江JTW-ZD-A20G-Ex防爆型点型感温火灾探测器概述三江JTW-ZD-A20G-Ex型点型感温火灾探测器是通过二线制总线接入相兼容的火灾报警控制系统,为二总线工作方式。探测器内置微处理器,支持电子编码。探测器实时采集现场温度信息,并将数据传送至火灾报警控制系统,同时
三江JTW-ZD-A20G-Ex防爆型点型感温火灾探测器

一、三江JTW-ZD-A20G-Ex防爆型点型感温火灾探测器概述
三江JTW-ZD-A20G-Ex型点型感温火灾探测器是通过二线制总线接入相兼容的火灾报警控制系统,为二总线工作方式。探测器内置微处理器,支持电子编码。
探测器实时采集现场温度信息,并将数据传送至火灾报警控制系统,同时也能接收并执行火灾报警控制系统给出的控制命令。巡检状态时,探测器指示灯闪亮,当被监视区域发生火灾,温度上升到报警阈值后,控制系统根据接收到的探测器信息确认火警发生,同时点亮探测器指示灯,指示有火警发生。
探测器防爆性能符合GB/T 3836.1-2021《爆炸性环境第1部分:设备通用要求》、GB/T 3836.2-2021《爆炸性环境第2部分:由隔爆外壳“d”保护的设备》及GB/T 3836.4-2021《爆炸性环境第4部分:由本质安全型“i”保护的设备》。探测器防爆标志为Ex db ibⅡC T6 Gb,适用于具有ⅡA、ⅡB、ⅡC级,T1~T6组别的爆炸性混合物场所中的1区或2区使用。
二、三江JTW-ZD-A20G-Ex防爆型点型感温火灾探测器功能特点
◎全电子编码,编码地址可通过编码器现场改写。
◎具有温度补偿,传感器失效检测功能(故障上报控制器)。
◎无极性二总线连接,安装、维护方便。
◎具有差温报警功能。
三、三江JTW-ZD-A20G-Ex防爆型点型感温火灾探测器技术参数
型号 JTW-ZD-A20G-Ex
名称 点型感温火灾探测器
品牌 三江
防爆标志 Ex db ib IIC T6 Gb
适用爆炸环境 适用于具有ⅡA、ⅡB、ⅡC 级,T1~T6 组别的爆炸性混合物场所中的 1 区或 2 区 使用
IP 等级 隔爆腔防护等级 IP66
工作方式 无极性二总线
产品类别 A2R
电气接口 2-M20×1.5
编码方式 通过编码器可现场编码,地址范围 1~324 任选
工作电压 总线 24V
工作电流 <1mA(监视状态)
报警状态 <1.5mA(报警状态)
工作指示灯 监视状态红色指示灯闪烁,报警状态红色指示灯常亮
使用环境温度 -10℃~+50℃
相对湿度 ≤95%(40℃±2℃无凝露)
重量 约 1.45kg
保护面积 具体参考国标 GB 50116-2013《火灾自动报警系统设计规范》相关规定
执行标准 GB 4716-2005、GB/T 3836.1-2021、GB/T 3836.2-2021、GB/T 3836.4-2021
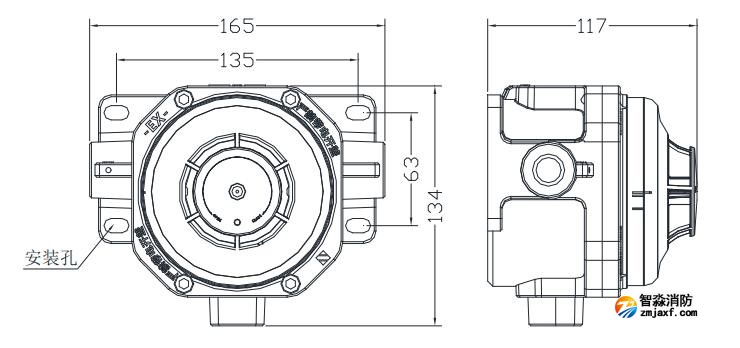
四、三江JTW-ZD-A20G-Ex防爆型点型感温火灾探测器外形尺寸图

五、三江JTW-ZD-A20G-Ex防爆型点型感温火灾探测器接线图
配套隔爆底座的下壳及壳内安全栅板载接线端子示意图:

端子定义:L1、L2无极性两线制
L1、L1信号端(L1)、板上相连L2、L2信号端(L2)、板上相连
探测器接线图:

探测器通过二线制总线并联,接入相兼容的火灾报警控制系统。探测器采用无极性连接,多个探测器与控制器连接的示意图如图所示。
智淼新款一体式二合一烟温试验器及红紫外火焰探测器功能试验器一体式二合一烟温试验器,二合一火灾探测器功能试验器,感烟感温二合一探测器功能试验器是智淼君安消防在优化感烟探测器功能试验器及感温探测器功能试验器的基础上开发设计的新一代烟温试验器,继续保持特有的不锈钢设计,铝合金外包装,携带方便,组装简单、操...
一体式二合一烟温试验器,二合一火灾探测器功能试验器,感烟感温二合一探测器功能试验器是智淼君安消防在优化感烟探测器功能试验器及感温探测器功能试验器的基础上开发设计的新一代烟温试验器,继续保持特有的不锈钢设计,铝合金外包装,携带方便,组装简单、操作灵活等特点。增加了吹风,夜视窗口等功能。...
海湾JB-QB-GST1000ZG火灾报警控制器一、海湾JB-QB-GST1000ZG火灾报警控制器概述壁挂式,含240地址报警点,LCD点阵液晶屏,含一路CAN和一路485通讯接口,带打印功能,含控制器电源和备电(12V/4.5AH 1节).二、海湾JB-QB-GST1000ZG火灾报警控制器特点采用无极性二总线技术具有重码检测功能三、海湾GST2322ZG输入...
海湾J-SAP-M-GST2200ZG手动火灾报警按钮一、海湾J-SAP-M-GST2200ZG手动火灾报警按钮概述电子编码,插拔式安装,单输入、输出接口.输出:有源持续输出,DC24V/50mA,自带隔离电路,具有检线功能,不用外接任何辅助检线设备.输入:自带隔离电路,具有检线功能,可以设置为短路反馈或者开路反馈.与1380ZG中继箱配合使用,与DZ-23ZG-...
海湾GST2322ZG输入/输出模块一、海湾GST2322ZG输入/输出模块概述电子编码,插拔式安装,单输入、输出接口.输出:有源持续输出,DC24V/50mA,自带隔离电路,具有检线功能,不用外接任何辅助检线设备.输入:自带隔离电路,具有检线功能,可以设置为短路反馈或者开路反馈.与1380ZG中继箱配合使用,与DZ-23ZG-8型底座配套使用....
海湾GST2321ZG输入/输出模块一、海湾GST2321ZG输入/输出模块概述电子编码,插拔式安装,单输入、输出接口.输出:有源脉冲输出,DC32V/1.5A/25ms,自带隔离电路,具有检线功能,不用外接任何辅助检线设备.输入:自带隔离电路,具有检线功能,可以设置为短路反馈或者开路反馈,与DZ-23ZG-8型底座配套使用.二、海湾GST2321ZG输入/输...
海湾JTW-ZOM-GST1110ZG点型感温火灾探测器一、海湾JTW-ZOM-GST1110ZG点型感温火灾探测器概述海湾JTW-ZOM-RF1110点型感温火灾探测器采用热敏电阻作为感温器件。探测器内置高性能微处理器,适用于能够产生温度变化的火灾探测,在不同环境都可以准确识别出火灾,具有强大的火警判断能力,采用无极性二总线制进行通信,电子...
海湾GST8001ZG电子编码器一、海湾GST8001ZG电子编码器概述海湾GST8001ZG电子编码器是针对前端产品进行设置的便携式操作设备。具备电子式地址读写、参数读写、参数设置等功能。采样液晶中文显示,按键操作,操作简单方便二、海湾GST8001ZG电子编码器功能特点可对系统总线设备进行编码和参数设置液晶显示、中文菜...
海湾GST1200ZG紧急启停按钮一、海湾GST1200ZG紧急启停按钮概述海湾GST1200ZG紧急启/停按钮(以下简称按钮),主要作用是控制气体灭火系统转换手动状态或自动状态,以及控制紧急启动和停动功能。通常安装在保护区门口便于操作的位置,当被保护的区域内发生火灾时,按下"紧急启动"按键,即可向气体灭火控制器发...
海湾GST1530ZG火灾显示盘一、海湾GST1530ZG火灾显示盘概述海湾GST1530ZG火灾显示盘一种可用于楼层或独立防火区内的火灾报警显示装置。当建筑物内发生火灾后,消防控制中心的控制器产生报警,同时把报警信号传输到失火区域的火灾显示盘上,火灾显示盘液晶屏显示报警编号、类型及注释信息并发出报警声响,以通知失火区域的...
400电话:4006-598-119
联系电话:18751140119
公司传真:0512-52847706
手机号码:18910580194
客服QQ:1334605518
Email:1334605518@qq.com
地址:江苏省苏州市常熟市黄河路275号城市之星119室
全国服务热线:18910580194
立即预约智淼君安(江苏)消防工程技术有限公司主要业务有火灾报警系统的销售、设计、安装、消防维修及消防工程改造,消防施工,消防工程改造,消防维保,一二级消防检测设备,探测器清洗,消防检测,气体灭火系统安装,电气火灾系统施工安装,消防喷淋水系统安装,防火门系统施工安装等...
+MORE
物业项目业主户内消防改造安全管控要点检查了很多高层住宅项目和带底商的项目,消防的一个难点就是:故障点位多!一排查,原因多是业主户内装修,改了(取消)消防。一说整改就是业主户内装修完成了,改造费用高……那么这类消防故障该如何避免或者整改呢?作为物业工作人员,如何在服务业主,满足合理需求的同时,守住消防 [详情]
消防改造 消防检测仪器网 山东消防检测设备 消防安全评估设备 消防评估设备 北京消防改造 海湾消防主机维修 四川消防检测设备 气体灭火 消防检测设备|人防检测仪器 江苏消防检测仪器 探测器清洗 消防检测设备 利达消防 智淼消防工程 电气火灾 海湾安全技术有限公司 海湾消防公司 海湾消防 海湾消防设备 海湾气体灭火|利达气体灭火 消防安全评估设备软件 四川消防检测仪器 消防安全评估软件 海湾气体灭火 海湾消防气灭 利达气体灭火 利达消防维修维保 海湾消防维修 北京烟感清洗 北京消防维修 烟感清洗|火灾探测器清洗 消防安全评估软件 海湾消防监控系统 气体灭火安装 消防设施维护保养检测设备 消防改造安装 海湾消防器材 利达消防器材 青鸟消防器材 泛海三江消防设备 上海松江消防设备 深圳赋安消防设备 泰和安消防设备 依爱消防设备 金鼎防爆消防设备 尼特消防设备 海湾消防产品 利达消防产品 消防评估检测设备 消防检测设备仪器 松江消防 青鸟消防 泰和安消防 利达消防设备 消防气体灭火 智淼消防商城网 利达消防公司 依爱消防 福赛尔消防 久远消防 三江消防 泰和安消防 艺光消防 国泰怡安消防 利达气体灭火 海湾消防安全技术 海湾消防公司
如果您对本商品有什么问题,请提问咨询!